@Kabel-Kusch 2023
Informationen Privatkunden: Impressum AGB Datenschutz Widerruf
Informationen Geschäftskunden: Impressum AGB Datenschutz
Weiteres: Wo sind wir Versandkosten
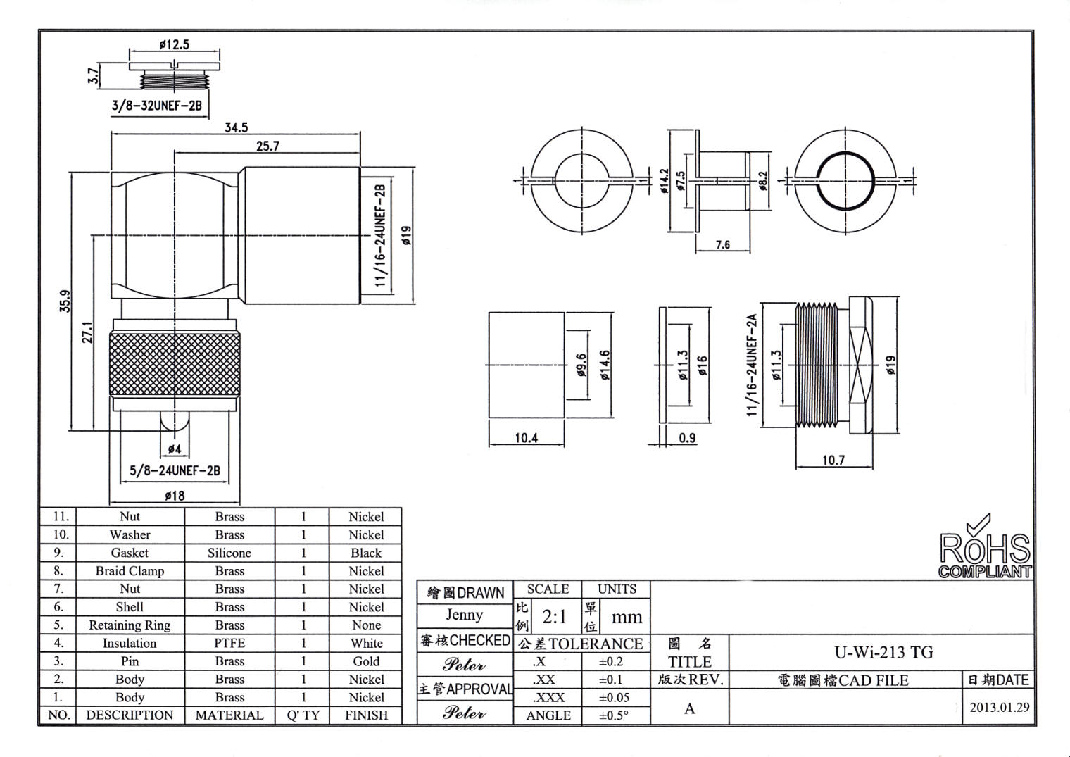
U-Wi 213 TG: (UHF Winkelstecker für alle unsere 10-11 mm Kabel)
Alle Preise inklusiv ges. Mehrwertsteuer zuzüglich Versandkosten. Größere Mengen auf Anfrage.
geeignet für ABOARD, Airborne 10, Aircom Prem., Calorix 10, Ecoflex 10, H 1000, H 2000, H 2010, Hyperflex 10, LMR 400, Neoflex 10, RG 213, RG 214, Ultraflex 10 u.ä. vergoldeter Mittelstift mit doppelt geschlitzer Massehülse die PTFE-Isolierung ist hoch temperaturbeständig Silikon Dichtring verhindert Eindringen von Wasser durch das Gewinde mit Anpressring und Zentrierpassform für widerstandsfähige Anforderungen einfache Montage
Ähnliche Stecker  Tech. Zeichnung
(+49) 231
25 72 41
Kusch. Ein Team mit Erfahrung.

Bestellen Sie ganz bequem per Telefon,

Email oder nutzen Sie einfach unser

Kontaktformular