@Kabel-Kusch 2023
Informationen Privatkunden: Impressum AGB Datenschutz Widerruf
Informationen Geschäftskunden: Impressum AGB Datenschutz
Weiteres: Wo sind wir Versandkosten
Erdungsschelle:
Die Erdungsschelle schützt den Außenleiter gegen Blitzeinschläge. Der Blitzschutz sichert den Innenleiter gegen Blitzeinschläge.
Typ 1: KMT-7 für H 2007. HIGHFLEXX 7, Aircell 7, Ultraflex 7, LMR 300 u.ä.
Typ 2: KMT-11 für alle 10-11 mm Koaxialkabel
Typ 3: KMT-14 für alle 14-15 mm Koaxialkabel, LMR 600, Ecoflex 15, Cellflex 12-50. u.ä.
Erdungs-Garnitur KMT- 5 / 7 / 11 / 15
1.
geprüft nach CESI - nach MIL STD 1757 (1980) Prüfung auf Blitz- und Funkeinschläge
2.
Kontaktwiderstand < 1 Milli-Ohm
3.
wasserdicht nach IP 67 - IEC 60529 (CESI)
4.
Witterungsbeständigkeit (IEC 68-2-14)
1. Gehäuse
V2A Edelstahl
2. Dichtung
EPDM Kunstgummi
3. Innenkontakt
Kupfer gewellt
4. Kabel
verzinnte Kupferleitung, 600 mm, Ø 16 mm² PVC isoliert, schwarz CEI-20-22
Material
Blitzschutz:
Die Erdungsschelle schützt den Außenleiter gegen Blitzeinschläge. Der Blitzschutz sichert den Innenleiter gegen Blitzeinschläge.
N-Blitzschutz bis 6 GHz  (NLP-50-100 St-Bu)
Doppel-D-Fräsung
Erdungskombinationen:
Die einzige Komplettlösung gegen Blitzeinschlag (Hier ein Beispiel)
Bestehend aus Erdungsschelle KMT -
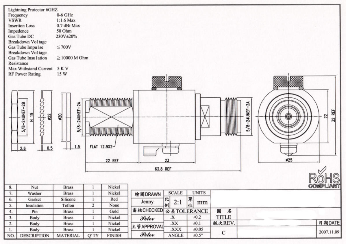
Frequenzgang
0 - 6 GHz
VSWR
1:1,6 Max
Dämpfung
0,8 dB Max
übertragbare Leistung
100 Watt
Impedanz
50
N-Blitzschutz bis 6 GHz  (NLP-50-100 FFD Bu-Bu)
N-Stecker
NLP-50-100 -
N-Buchse -
(+49) 231
25 72 41
Kusch. Ein Team mit Erfahrung.

Bestellen Sie ganz bequem per Telefon,

Email oder nutzen Sie einfach unser

Kontaktformular

Preise und vorrätige Mengen auf Anfrage.